聯係到訪指南詳細>>

聯係人:鍾生

電 話:020-3827-5901

手 機:

地 址:廣州番禺鍾村街道鍾村

  裝飾材料城B1棟二樓

駕車導航到"鍾村裝飾材料城"

產品詳細介紹 當前位置:首頁 > 產品中心 > 江森溫控器及濕度控製器

江森T125電子式溫控器

江森自控

為了幾年首個125年,特別隆重推出新一代紀念版T125風 機盤管溫控器。該溫控器是為控製商業、工業和民用項目中加熱、製冷及空氣調節而設計,其典型應用包括控製風機盤管、空調末端和加熱製冷設備。作為係統的一 部分,該溫控器被用於控製二通或三通閥門以及一個多級風速的風機。
紀念版T125溫控器有7種不同顏色的款式供用戶選擇,可應用於各種場合,配合客戶的特別需求,為您帶來不一樣的感受!
該款產品可以和江森自控區域閥VG4000-C係列以及執行器VG4000-C係列配套使用。

特點:
1、控製鍵操作簡單,設定調節方便
2、工業標準圖標模型
3、亮麗的外觀,雙圈流線型ABS塑料外殼和底座一體化包容式設計,沒有節點凸起部分
4、模式浮雕型商標,原廠保證
5、標準的86x86mm尺寸可方便安裝在75x75x35mm標準牆裝盒上
6、通用的安裝,標準的牆裝接線盒
7、插拔式端子塊接線簡單快速
8、快速替換減少了因售後服務的停工時間

型號
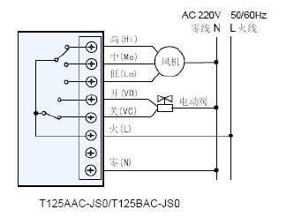
T125AAC-JSO型號
型號T125AAC-JSO風機盤管溫控器是為單冷風機盤管設計,用於2線或3線電動閥門。通過撥動開關,用戶可關閉T125溫控器,切斷風機輸出電源。通過風速開關,用戶可選高-中-低風速。

T125BAC-JSO型號
型號T125BAC-JSO風機盤管溫控器是為兩管製冷熱風機盤管設計,用於2線或3線的電動閥門。通過撥動開關,用戶可關閉T125溫控器,切斷風機輸出電源。通過風速開關,用戶可選高-中-低風速

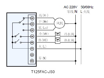
T125FAC-JSO型號
型號T125FAC-JSO風機盤管溫控器是為四管製冷熱風機盤管設計,用於2線電動閥門。通過撥動開關,用戶可關閉T125溫控器,切斷風機輸出電源。通過風速開關,用戶可選擇高-中-低風速。

點擊新窗口打開大圖

點擊新窗口打開大圖

 
點擊這裏給我發消息
點擊這裏給我發消息